Product make  

Home
About Us
Products
Services
Clients
Downloads
Why Us
Enquiry
ContactUs
Site Map
All rights
reserved@ssenvironthermal.com
Privacy Policy | 2009
 
go to Front Page   Login      
  Bundle Rod/ Bird Cage Element  
 


High Powered, Tailor Made, Maintenance friendly heating element with / without radiant tubes. For Horizontal / Vertical applications can be made of different alloys. The ease of installation and removal heating elements makes them very maintenance friendly. They require very less / no furnace down time in replacement of the heating elements.

Can supply replacement elements for most existing applications and also design heating elements suitable for new applications.

With ready stock of ceramics , wires and the related parts we assure our customers very short lead times.

 
     
 
     
 
 
 
 
Please enter the details for your requirement
 
 
Rod Size mm
Developed Length mm
Material  
K W Ratings  
Voltage across terminals  
Cold Resist  
Hot Resist  
Furnace Temperature 'C' Degre C
Surface Load Kgs
A  
B  
C  

Ø D

 
E  
F  
   
Terminal Rod Size mm
Terminal Material  
Weight of Element Kgs
Weight of Terminal Kgs
Centre Rod Material  
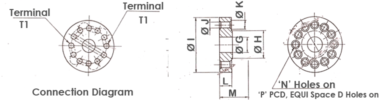
Ø G mm
Ø H mm
Ø I mm
Ø J mm
Ø k mm
L mm
M mm
N mm
P    
 
 
| Home | About Us | Products | Services | Clients | Downloads | Why Us | Enquiry | Contact Us | Sitemap |